10 μm 90% or more
Silver gray (Munsell No. N-8.0)
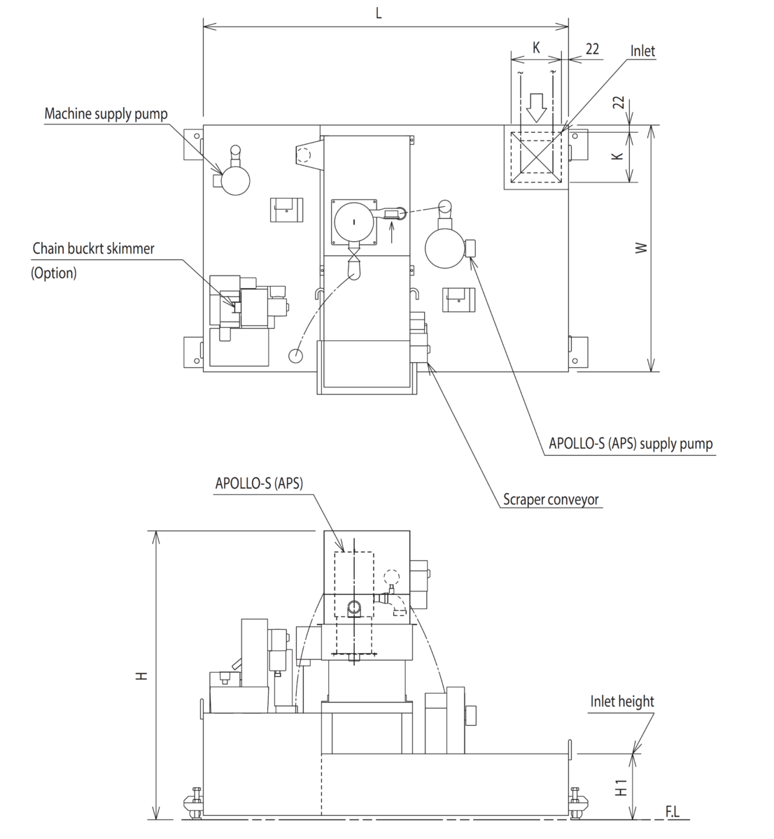
* The filtration accuracy is based on the results of our experiments, and does not imply that this level of accuracy is guaranteed.\n* The specifications and dimensions are subject to change without notice.\n* For the oil-based specifications, please consult us.\n* For information about custom products other than standard products, please consult us.
* The product weight varies depending on the specifications, options, etc.
Silver gray (Munsell No. N-8.0)
* For information about the specified color, please consult us.
* The filtration accuracy is based on the results of our experiments, and does not imply that this level of accuracy is guaranteed.
* The specifications and dimensions are subject to change without notice.
* When the oil viscosity exceeds 50 mm 2/s, please consult us.
* For details on how to select the supply pump, please contact us.
* For information about custom products other than standard products, please consult us.